





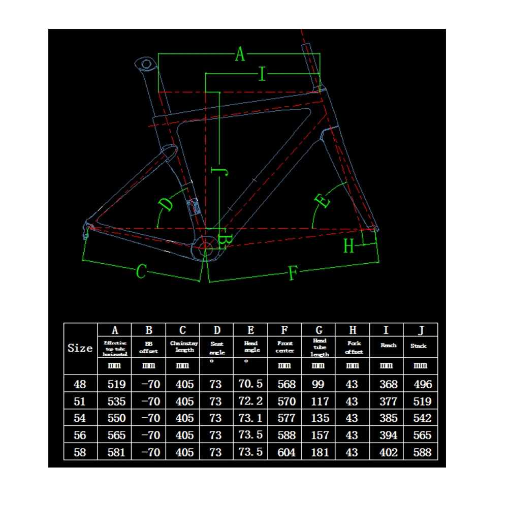
2018Costelo Speedcoupe Aero Road bike carbon frame49 52 54 56 COSTELO Speedcoupe 2.0 Red The frameset Frame Fork ,Seatpost,Clamp,Headset. Model Speedcoupe 2.0 Material Carbon Fiber Toray T800 Use for Road racing BB Shell Diameter BSA bb68 english Headset Size 1 1/8 to 1 1/2 Tapered Integrated Weight Of Frame 920g (Size 48,with painting) Weight Of Fork 420g (Clearly Coat) Suitable Derailleur Di2 And Mechanical Both Derailleur Cables Routing Internal Suitable Wheels 130 mm Hubs and 700c Wheels Avaliable Size 48 51 54 56 Custom Tax& Import Duty Buyers Bear The Charges Warranty 2 Years


































No comments:
Post a Comment